SKORPION 일체형
SKORPION Air Heater는 Blower와 내장된 Controller로 구성된 일체형 히터입니다.
전원만 연결하면 즉시 작동이 가능하며 현재 온도와 내장된 과열보호기능을 보여주는 편리한 디스플레이를 갖추고 있습니다.
Blower가 없는 모델은 고객의 목적에 따라 압축공기를 사용할 수도 있으며 2년간 품질이 보증됩니다.
전원만 연결하면 즉시 작동이 가능하며 현재 온도와 내장된 과열보호기능을 보여주는 편리한 디스플레이를 갖추고 있습니다.
Blower가 없는 모델은 고객의 목적에 따라 압축공기를 사용할 수도 있으며 2년간 품질이 보증됩니다.
특징
- Blower와 Controller를 갖춘 일체형 제품
- 최고온도 760°C까지 급속 가열 가능
- Element가 단락될 경우 Element만 교체 가능
- ROHS 및 CE, UL 인증 취득
- 여러 형태의 노즐 연결 가능 (300*4mm), (50*12mm)
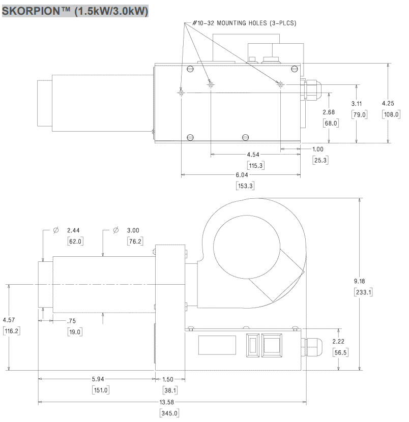
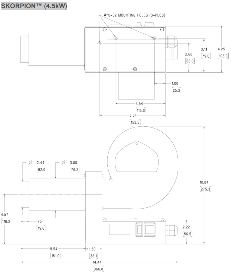
모델 및 제원
| Part Number | Description | Max Watts | Max Volts | Max Amps | Height "A" | Height "B" |
| 075615 | SKORPION™ air heater | 1.5KW | 120V - 1Ø | 12.5A | 9.18" | 13.58" |
| 075616 | SKORPION air heater | 3.0KW | 230V - 1Ø | 12.5A | 9.18" | 13.58" |
| 076008 | SKORPION air heater | 4.5KW | 230V - 1Ø | 20.0A | 10.84" | 14.44" |
| 075869 | SKORPION air heater without blower | 1.5KW | 120V - 1Ø | 12.5A | ||
| 075835 | SKORPION air heater without blower | 3.0KW | 230V - 1Ø | 12.5A | ||
| 076029 | SKORPION air heater without blower | 4.5KW | 230V - 1Ø | 20.0A |
ACCESSORIES
| ACCESSORIES | ||
| F075744 | High Flow Nozzle | 21mm (1”) diameter |
| F075745 | Standard Flare | 150mm x 12mm (6” x 0.5”) |
| F075746 | Wide Flare | 300mm x 4mm (12” x 0.16”) |
다이어그램
Performance Curve




